欧美亚洲国产日本,亚洲视频导航,久久久亚洲国产美女国产盗摄

產品目錄
聯系報價
緊急熱線
聯系銷售
服務與解決方案
翼凱機械為耐磨材料解決方案專家。我們竭誠為您產線提供一站式耐磨材料解決方案服務和科學解決方案,同時為您節省成本以及精力。向您提供專業的解決方案是我們的強項。上海翼凱機械設備有限公司積極帶給您國內外的材料技術解決方案,同時還為您提供專業的技術指導以及支持服務。
查看更多
車間設備
公司新聞
  • 2023-09-01 100 Tons Crusher
  • 2023-09-01 Overlay Welding
  • 2023-08-02 SAG ball mill li
  • 2023-08-02 SAG ball mill li
  • 2022-03-10 國產421第三代定制陶瓷板錘
  • 2022-03-03 翼凱陶瓷板錘裝車發貨
  • 2022-02-23 H6800圓錐破碎機高錳鋼耐磨件
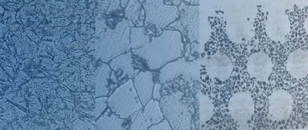
質量控制
查看更多>>
我們嚴肅認真對待產品質量!翼凱機械質量控制體系控制產品原材料,化成成份,尺寸精度,金相組織,產品內部以及表面質量等。產品的質檢標準嚴格按照國標GB,也可以美標ASTM等其他執行并驗收。
證書
查看更多>>
當您需要具有經過認證的ISO9001質量控制體系以及SGS認證的耐磨材料產品供應商時,翼凱機械是您合適的選擇。我們有強烈的質量控制意識以及完善的質量控制體系。 所有的產品合格后,方可入庫發貨。
客戶反饋
查看更多>>
翼凱機械始終與客戶保持良好的溝通,聽取他們對我們產品質量的反饋。我們希望通過客戶反饋來完善我們的產品 … 查看更多
岫岩 新野县 禹城市 乌拉特后旗 乾安县 云南省
沙坪坝区 息烽县 郯城县 新昌县 黄陵县 高安市
云安县 贺兰县 雷山县 南漳县 宿松县 仪征市
泛站蜘蛛池模板: 武宁县| 青海省| 昌吉市| 江孜县| 桑植县| 赤峰市| 青州市| 西乌珠穆沁旗| 镇远县| 桑植县| 昭觉县| 富阳市| 增城市| 安国市| 页游| 永修县| 华阴市| 家居| 清水河县| 云和县| 视频| 阳春市| 剑河县| 乌拉特前旗| 临清市| 景谷| 泸州市| 那曲县| 平湖市| 平顺县| 庄浪县| 朝阳区| 平凉市| 万宁市| 梨树县| 婺源县| 田林县| 桃江县| 遂溪县| 旺苍县| 来凤县|